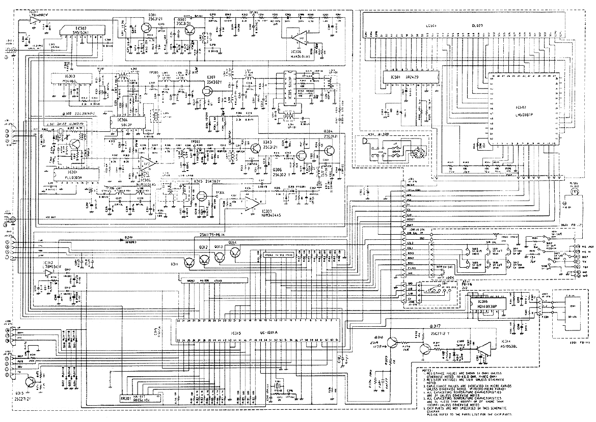
Esquema 1

Esquema 2

Bloco Diagrama

Conector

Conect- Micro

Placa de afinações

Recepção

Emissão

PLL et CARRIER